How Carnosine Helps You Stay Younger and Healthier
Optimizing Your Cells To Work Smarter and More Efficiently
Real Science – Real People – Real Results
The Negative Effects of Aging Cells
As we age, our cells become unhealthy, inefficient and naturally slow down. Waste builds up, nutrients aren’t used as efficiently, and energy production declines.
This “cellular slowdown” affects everything — from how well our eyes use antioxidants, to how our bodies respond to the nutrients in food and supplements.
That’s where carnosine steps in
Carnosine is a natural compound found in your brain, eyes, muscles, and heart — and it acts like an internal bodyguard for your cells.
Rather than “cleaning” them in a scrubbing sense, carnosine works by:
-
Neutralizing harmful molecules caused by oxidation and glycation — the sticky sugar damage that clogs up cells over time.
-
Protecting enzymes and proteins that process nutrients, helping your body make better use of vitamins, minerals, and antioxidants.
-
Supporting mitochondrial health, allowing your cells to generate cleaner, more efficient energy from food.
-
Balancing cellular pH, keeping your internal environment stable so each cell can absorb nutrients and remove waste properly.
The result? Your cells stay “younger” and more efficient — meaning your body can extract more real value from the foods and supplements you already use.
That’s why many people who add Ethos Pure L-Carnosine Powder to their routine report not just clearer eyes, but also better energy, mental sharpness, and overall vitality. It’s not magic — it’s simply restoring your cells’ natural ability to protect, renew, and thrive.
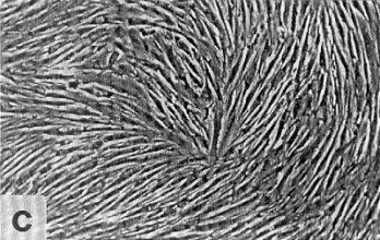
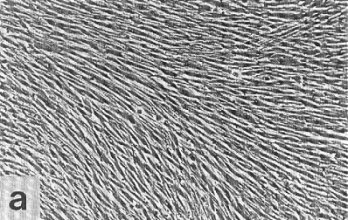
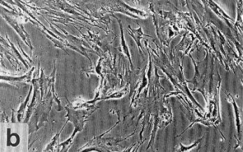
As you can see from the images below, old cells treated with carnosine resemble those of young healthy cells.
YOUNG HEALTHY CELLS
OLD DYSFUNCTIONAL CELLS
CARNOSINE TREATED CELLS
The Benefits of Healthy Cells
When your cells function more efficiently, your entire body benefits.
Carnosine helps protect and stabilize the enzymes that process nutrients, allowing your cells to absorb vitamins, minerals, and antioxidants more effectively and convert food into energy with less oxidative waste.
This means you can experience steadier energy levels, faster tissue repair, and improved resilience from the same diet and supplements you already take.
By reducing glycation and oxidative stress—the two main cellular “clogging” mechanisms—carnosine helps your body make better use of what you feed it, turning nutrition into real vitality rather than unused potential.
Why Choose Ethos Pure Carnosine — Trusted, Researched, and Recognized
When it comes to carnosine, Ethos Vision stands on the shoulders of true scientific pioneers.
In the mid-1990s, Professor Steven Gallant and Dr. Alexander Boldyrev conducted a ground-breaking study on carnosine’s effects on aging using senescence-accelerated mice — a model known for developing signs of aging far earlier than normal.
The results were extraordinary: the carnosine-treated mice lived roughly 20% longer, maintained a youthful coat, showed stronger activity, and experienced fewer visible signs of aging compared to untreated mice.
View the original PubMed study →
Their research demonstrated, for the first time, that carnosine can slow biological aging at the cellular level by protecting proteins from cross-linking, neutralizing oxidative stress, and maintaining proper enzyme function — mechanisms now central to modern longevity science.
Professor Gallant was more than an influence — he was the inspiration behind Ethos Vision.
From 2003 onwards, Professor Gallant worked closely with the Ethos Vision founders, helping to present his research at health conferences and inspiring our mission to make this remarkable molecule available to people everywhere through safe, high-purity formulations. His pioneering spirit continues to guide everything we do today.
And Ethos’s innovation didn’t go unnoticed. Our carnosine formulations were featured in the UK’s Telegraph article, “Top Ten Foods to Boost Brain Power,” highlighting L-carnosine as a key nutrient for supporting brain health, cognitive clarity, and cellular protection.
Together, these two milestones — scientific heritage and mainstream recognition — define Ethos Vision as more than a supplement brand. We’re a bridge between timeless scientific discovery and everyday wellness.
When you choose Ethos Pure L-Carnosine Powder, you’re choosing:
-
A product inspired by the original scientists who discovered carnosine’s anti-aging potential.
-
A trusted formula recognized by The Telegraph for its brain-boosting and protective benefits.
-
And a company founded on real collaboration with Professor Gallant, one of the early pioneers of anti-aging research.
Because lasting vitality starts with the foundation of science — and the vision to share it.
Scientific References
Carnosine and Glycation Protection – Hipkiss, A. R. Frontiers in Aging Neuroscience (2019).
“Carnosine and Its Possible Roles in the Regulation of Protein Homeostasis and Aging.”
Carnosine and Oxidative Stress – Boldyrev, A. A. et al. Biochimica et Biophysica Acta (2013).
“Protection of Proteins from Oxidative Stress by Carnosine.”
Mitochondrial Support and Energy Efficiency – Bellia, F. et al. Rejuvenation Research (2020).
“Carnosine Enhances Mitochondrial Function and Energy Metabolism.”
Carnosine and pH Buffering in Cells – Bakardjiev, A. & Bauer, K. Biochimica et Biophysica Acta (1994).
“Carnosine as a pH Buffer in Human Tissues.”
Absorption and Nutrient Utilization – Guiotto, A. et al. Current Medicinal Chemistry (2015).
“Carnosine and Its Derivatives in Metabolic Regulation and Antiglycation Therapy.”
Neuroprotective and Cognitive Benefits – Wilkinson, T. J. et al. Aging Cell (2023).
“Carnosine Supplementation Improves Cognitive Function and Reduces Oxidative Damage in Older Adults.”
